شیر سوئیچی مکانیکی روپیچ برنزی

تعریف و کاربرد
شیری است که به صورت یک چهارم دور باز و بسته میشود و از نوع شیرتوپی یا به اصطلاح بال والو میباشد. این شیر برای قطع و وصل جریان آب داخل ملک بـه لحاظ مدیریتی استفاده میگردد. این نوع از شیرها به دلیل داشتن آچار منحصر به فرد، تنها توسط دارنده آچار آن قابلیت باز و بسته شدن را دارند. این شیر با توجه به قفل آن به دو نوع قفل مکانیکی و قفل مغناطیسی تقسیم میشود.
نامهای رایج
شیر سوئیچی / شیر قفلدار / شیر مکانیکی
محل نصب
داخل ملک درون حوضچه کنتور/ داخل ملک درون تابلو انشعاب / بیرون ملک، روی دیوار
نکات کلیدی
جهت قطع و وصل آب می بایست از آچار مخصوص آن استفاده نمایید.
شماره سریال
V-13112
جنس برنز
آببندی بال والو
ورودی روپیچ
خروجی توپیچ
قطعات و جنس آنها | ||||
نام قطعه | جنس | استانداردASTM | استانداردEN | سیمبول |
| بدنه | برنز | ASTM B62/C83600 | EN1982/CC491K | CuSn5Zn5Pb5-C |
| توپی | برنج | ASTM B455/C38500 ASTM B455/C38000 | EN12164/CW614N EN12164/CW617N | CuZn39Pb3 CuZn38Pb2 |
| ساق | ||||
| کلاهک | فلزی-پلیمری | *** | *** | *** |
| واشر اورینگ ساق | لاستیک | NBR|EPDM | ||
| واشر توپی | تفلون | PFTE | ||

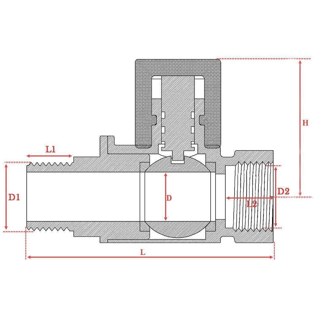
ابعاد بدنه | دنده خروجی (مادگی) | دنده ورودی (نری) | |||||||
SizeInch | L(mm) | H(mm) | D(mm) | L2(mm) | D2(mm) | تعداد دنده بر اینچ | L1(mm) | D1(mm) | تعداد دنده بر اینچ |
| ½ | 65.5 | 40 | 14 | 13 | 19 | 14 | 14 | 20.5 | 14 |
| ¾ | 70.5 | 44 | 19 | 14.2 | 24.5 | 14 | 15 | 25.8 | 14 |
| 1 | 89.5 | 50 | 25 | 17.5 | 30.4 | 11 | 18 | 32.5 | 11 |
