شیر یکطرفه ورودی روپیچ برنزی

تعریف و کاربرد
این شیر برای جلوگیری از برگشت آب به داخل لوله انشعاب و شبکه توزیع استفاده میشود. عملکرد شیر بر اساس تغییرات فشار آب در طرفین آن میباشد. چه بسا آب برگشتی به علت آلوده بودن، آب داخل شبکه شهر را نیز آلوده و باعث مشکلات بهداشتی شود و یا اینکه احتمالاً شیر یکطرفه آب گرم در تاسیسات داخلی شبکه به درستی عمل ننماید و به تبع آن، آب داغ وارد کنتور شده و باعث از کار افتادن آن گردد.
نامهای رایج
شیر یکطرفه ورودی مغزیدار / شیر خودکار ورودی مغزیدار
محل نصب
داخل حوضچه کنتور و یا تابلو انشعاب بعد از کنتور و بعد از شیرفلکه
نکات کلیدی
هنگام نصب به جهت فلش حک شده روی بدنه دقت شود. شیر باید به صورت افقی نسبت به زمین نصب گردد.
دما و فشار کاری
دمای کاری: بین 2 تا 35 درجه سانتی گراد / فشار کاری: 10 اتمسفر (pn10)
شماره سریال
V-15312
جنس برنز
آببندی دریچهای
ورودی روپیچ
خروجی توپیچ

قطعات و جنس آنها | ||||
نام قطعه | جنس | استانداردASTM | استانداردEN | سیمبول |
| بدنه | برنز | ASTM B62/C83600 | EN1982/CC491K | CuSn5Zn5Pb5-C |
| رقاصک/دریچه | ||||
| درپوش | ||||
| درپوش | برنج | ASTM B455/C38500 ASTM B455/C38000 | EN12164/CW614N EN12164/CW617N | CuZn39Pb3 CuZn38Pb2 |
| پیچ و پین | ||||

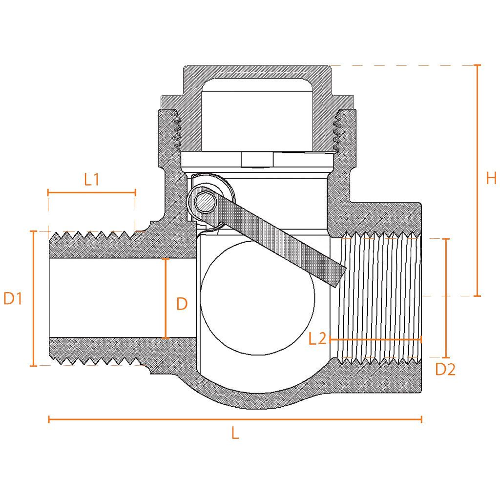
ابعاد بدنه | دنده خروجی (مادگی) | دنده ورودی (نری) | ||||||||
SizeInch | L(mm) | H(mm) | D(mm) | L2(mm) | D2(mm) | تعداد دنده بر اینچ | L1(mm) | D1(mm) | تعداد دنده بر اینچ | |
| ½ | 56 | 36 | 14 | 13 | 19 | 14 | 13 | 20.9 | 14 | |
| ¾ | 67 | 40.7 | 19 | 15.9 | 24.2 | 14 | 17 | 26 | 14 | |
| 1 | 76.5 | 46 | 24 | 19.1 | 30.4 | 11 | 20 | 32.5 | 11 | |
